.brator-banner-area.design-four .brator-banner-content h2 { display: none; }
F
VW
ALFA ROMEO
AUDI
BMW
CHEVROLET
CITROËN
DACIA
DS
FIAT
FORD
HYUNDAI
IVECO
JAGUAR
KIA
LANCIA
LEXUS
MAZDA
MERCEDES-BENZ
MINI
MITSUBISHI
NISSAN
OPEL
PEUGEOT
RENAULT
ROVER
SEAT
SKODA
SUZUKI
TOYOTA
VOLVO
VW
ABARTH
CHERY
CHRYSLER
DAEWOO
DAF
DAIHATSU
DODGE
FERRARI
GMC
HONDA
INFINITI
ISUZU
JEEP
LADA
LAND ROVER
MG
NAZA
PORSCHE
RENAULT TRUCKS
SAAB
SMART
SSANGYONG
SUBARU
TESLA
VAUXHALL
GOLF VII
Année
TSI
Mon garage
Ajouter au garage
Mon garage
Vide
Mon garage
Ajouter au garage
Mon garage
Vide

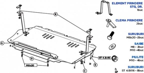
Protection moteur VW GOLF VII, TSI / 2013-2017, CXSA, VehicleGOLF VIIs

Fabricant

ASAM 1
BLIC 2
Febest 1
FEBI Bilstein 2
JP Group 1
NTY 1
Schaeferbarthold 1
Swag 1
Trier par:
Disponible
Prix ​​le plus bas
Heure de livraison
Disponible
Évaluation
Des produits: 10
Les filtres
[data limited]